Losse vrijloop poelie Litens
Zit op 80A dynamo zonder start/stop
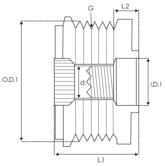
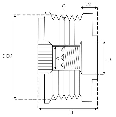
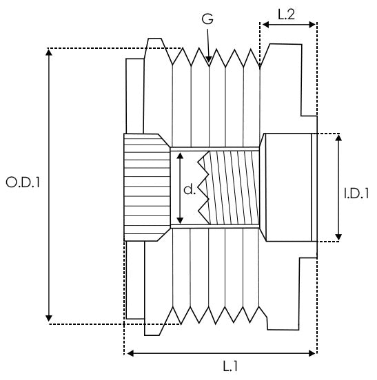
Afmetingen
OD1 54mm
L1 56MM
L2 9.5mm
ID1 17mm
G 5ribs
Gemonteerd oa op:
Opel Karl 1.0 2015-2019
Geschikt voor dynamo's met OE nummer:
1202414
1202470
42366144
42478281
42677220
95519905
42539290
