Bosch Massa Schakelaar.
Belastbaarheid 250A 24V continu ( ook 12V te gebruiken)
Piek 2500A ( 5seconden)
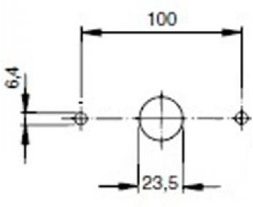
Diameter gat 23.5mm
Montagegaten diameter 6.4mm , Hart afstand gaten 100mm
Dikte montage plaat 25mm
Bout kabel aansluiting 10mm
Schakelzijde IP00
Achterzijde huis IP54
